GEOTECO
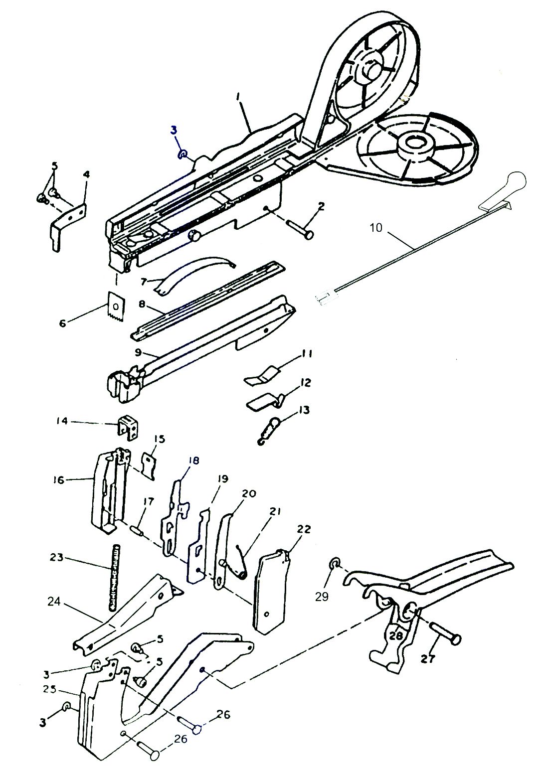
POWER SPRAYER IN FRAME LION 6,5 HP
POWER SPRAYER IN FRAME LION 6,5 HP 22 PUMP
Login for prices